TB9
Description
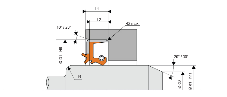
The TB9 profile is a shaft seal composed of a single external metal cage with an internal rubber coating, a primary sealing lip with an integrated spring and three additional radial and axial anti-pollution lips.
* Good radial rigidity, particularly for large diameters
* Good stability when assembled, preventing the bounce-back effect
* Sealing for low and high viscosity fluids
* Modern primary sealing lip with low radial forces
* Protection against undesirable air contaminants
Application
All types of rotative applications
Machine tools
Agriculture
Construction
Transmission
Gear boxes
Motors
Pumps
Materials
Rubber
ACM 70 – 75 Shore A
EPDM 70 – 75 Shore A
FKM 70 – 75 Shore A
HNBR 70 – 75 Shore A
NBR 70 – 75 Shore A
Metal cage
Steel – AISI 1010
Stainless steel – AISI 304
Stainless steel – AISI 316
Spring
Steel – AISI 1070 – 1090
Stainless steel – AISI 316
TECHNICAL DATA
TECHNICAL DATA
| Temperature | -25°C/+200°C |
| Pressure | 30 MPa |
| Speed | 0.5 m/s |
| Medias | Mineral hydraulic oils |

MATERIALS
MATERIALS
ACM
Polymers containing ethyl acrylate (or butyl acrylate) have a small amount of monomer, which is necessary for cross-linking; ACM is a material with better heat resistance than NBR. It is often used for automatic gearboxes.
| Chemical resistance | Mineral oils (motor oils, gear box oils, ATF oils) Atmospheric and ozone agents |
|---|---|
| Compatibility issue | Glycol-based brake fluids (Dot 3 & 4) Aromatic and chlorinated hydrocarbons Water and steam Acids, alkalis and amines |
| Temperature range | -25°C to + 150°C (short-term peak at +160°C) -35°C / +150°C with particular ACMs |
EPDM
As an Ethylene Propylene Diene Monomer copolymer, EPDM is commonly used for hot water taps, cooling systems, brake systems, dishwashers and washing machines.
| Chemical resistance | Hot water and steam up to +150°C Glycol-based brake fluids (Dot 3 & 4) and silicone-based brake fluids (Dot 5) Organic and inorganic acids Cleaning agents, sodium and potassium alkalis Hydraulic fluids (HFD-R) Silicone oils and greases |
|---|---|
| Compatibility issue | Mineral oils and greases Hydrocarbons Low impermeability to gas |
| Temperature range | -45°C / +150°C (short-term peak at +175°C) |
FKM
Depending on their structure and fluorine content, the chemical resistance and resistance to the cold in fluororubbers can vary. This FKM-based rubber is very often used for high-temperature hydraulics and pneumatics, for industrial valves, injection/fuel systems, motor seals and high-vacuum systems.
| Chemical resistance | Mineral oils and greases, ASTM n°1, IRM 902 and IRM 903 oils. Fire-resistant liquids (HFD) Silicone oils and greases Mineral and vegetable oils and greases Aliphatic hydrocarbons (propane, butane, petroleum) Aromatic hydrocarbons (benzene, toluene) Chlorinated hydrocarbons (trichlorethylene) Fuel (including high alcohol content) Atmospheric and ozone agents |
|---|---|
| Compatibility issue | Glycol-based brake fluids. Ammonia gas. Organic acids with a low molecular weight (formic and acetic acids) |
| Temperature range | -20°C / +200°C (short-term peak at +230°C) -40°C / +200°C with particular FKMs |
HNBR
This HNBR-based rubber is obtained through selective hydrogenation of the NBR’s butadiene groups. It is commonly used for power-assisted steering and for air conditioning.
| Chemical resistance | Aliphatic hydrocarbons Mineral and vegetable oils and greases Fire-resistant fluids (HFA, HFB and HFC) Diluted acids, saline solutions and bases for operation at an average temperature Water and steam up to +150°C Atmospheric and ozone agents |
|---|---|
| Compatibility issue | Chlorinated hydrocarbons Polar solvents (ketones, esters and ethers) Strong acids |
| Temperature range | -30°C / +150°C (short-term peak at +160°C) -40°C / +150°C with particular HNBRs |
NBR
Nitrile rubber (NBR) is the general term for acrylonitrile-butadiene copolymer. The ACN content can vary between 18% and 50%. While the acrylonitrile content is important, the resistance to oil and fuel is more so. Conversely, the elasticity and compression set are not as good. The NBR has good mechanical properties and good wear resistance. However, its resistance to atmospheric agents and the ozone is relatively low.
| Chemical resistance | Aliphatic hydrocarbons (propane, butane, petroleum, diesel fuel) Mineral oils and greases Fire-resistant fluids (HFA, HFB and HFC) Diluted acids, low-temperature alkaline and saline solutions Water (up to +100°C max) |
|---|---|
| Compatibility issue | Fuels with high aromatic content Aromatic hydrocarbons (benzene) Chlorinated hydrocarbons (trichlorethylene) Polar solvents (ketone, acetone, acetic acid, ethylene-ester) Strong acids Glycol-based brake fluids Atmospheric and ozone agents |
| Temperature range | -30°C / +100°C (short-term peak at +120°C) -40°C / +100°C with particular NBRs |
METAL CAGE
| Application | Material | Standard | Characteristics |
| Metal cage | Non-alloy standard steel | AISI 1010 (DIN 1624) |
Cold rolled steel |
| Metal cage | Nickel chrome steel | AISI 304 (DIN 1.4301 – V2A) |
Standard stainless steel |
| Metal cage and spring | Chrome-nickel-molybdenum steel | AISI 316 (DIN 1.4401 – V4A) |
Stainless steel highly resistant to corrosion |
| Spring | Steel for springs | AISI 1070 – 1090 DIN 17223 |
Cold drawn carbon steel wire |
| Spring | Nickel chrome steel | AISI 302 (DIN 1.4300) |
Stainless steel for springs with a high carbon content |
DIMENSION
DIMENSION
| Item | Internal Diameter (d) | Outside Diameter (D1 H8) | Outside Diameter (D2 H8) | Height (H) |
|---|---|---|---|---|
| TB9-7 | 7 | 5.95 | 7.3 | 0.5 |
| TB9-8 | 8 | 6.8 | 8.3 | 0.5 |
| TB9-10 | 10 | 8.5 | 10.3 | 0.5 |
| TB9-12 | 12 | 10.3 | 12.3 | 0.7 |
| TB9-15 | 15 | 12.75 | 15.3 | 0.7 |
| TB9-20 | 20 | 17 | 20.3 | 0.7 |
