DAS
Description
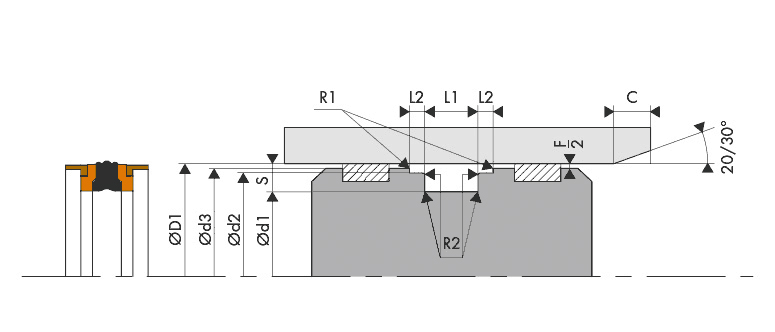
The Compact Seal is a double-acting seal and guide element comprising of a rubber seal, two split support rings and two split bearings, located either side of the seal.
A high-performing, double acting compact piston seal composed of a profiled rubber ring, two polyurethane back-up rings and two L-shaped POM wear/back-up rings.
Good sealing effect.
Excellent extrusion & wear resistance.
Reliable sealing for significant and sudden pressure variations.
Assembly in closed groove, reduced machined cost.
Economic wear and sealing solution.
Application
Mobile hydraulics
Excavators
Heavy duty hydraulic cylinders
Materials
Polyoxymethylene(POM) + Nitrile rubber(NBR) + Polyurethane(PU)
TECHNICAL DATA
TECHNICAL DATA
| Temperature | -30°C/+100°C |
| Pressure | 35 MPa |
| Speed | 0.5 m/s |
| Medias | Mineral hydraulic oils |

MATERIALS
MATERIALS
Polyoxymethylene (POM)
Polyoxymethylene (POM or polyacetal) belongs to the thermoplastics, which have a number of advantages – strong mechanical resistance, good creep strength, high resistance to shocks, particularly at low temperatures, good wear resistance, good sliding coefficient, excellent machinability and good dielectric properties. The low water absorption coefficient, unlike polyamide (PA), also gives this material an excellent dimensional stability.
| Chemical resistance | Aliphatic hydrocarbons (propane, butane, petroleum, diesel fuel) Mineral oils and greases Fire-resistant fluids (HFA, HFB and HFC) Water |
|---|---|
| Compatibility issue | Acids |
| Temperature range | -50°C/+115°C |
NBR
Nitrile rubber (NBR) is the general term for acrylonitrile-butadiene copolymer. The ACN content can vary between 18% and 50%. While the acrylonitrile content is important, the resistance to oil and fuel is more so. Conversely, the elasticity and compression set are not as good. The NBR has good mechanical properties and good wear resistance. However, its resistance to atmospheric agents and the ozone is relatively low.
| Chemical resistance | Aliphatic hydrocarbons (propane, butane, petroleum, diesel fuel) Mineral oils and greases Fire-resistant fluids (HFA, HFB and HFC) Diluted acids, low-temperature alkaline and saline solutions Water (up to +100°C max) |
|---|---|
| Compatibility issue | Fuels with high aromatic content Aromatic hydrocarbons (benzene) Chlorinated hydrocarbons (trichlorethylene) Polar solvents (ketone, acetone, acetic acid, ethylene-ester) Strong acids Glycol-based brake fluids Atmospheric and ozone agents |
| Temperature range | -25°C/+100°C |
PU
Polyurethane is a material that has the elastic properties of rubber. The proportion in its composition (diisocyanate, polyol, chain extender) is determined by its properties. This material is characterised by a strong mechanical resistance, good wear resistance, high elastic modulus, good flexibility and a very good ozone and oxidation resistance.
| Chemical resistance | Pure aliphatic hydrocarbons (propane, butane) Mineral oils and greases Silicone oils and greases Water up to +50°C |
|---|---|
| Compatibility issue | Ketones, esters, ethers, alcohols and glycols Hot water, steam, alkalis, amines and acids |
| Temperature range | -30°C/+90°C -30°C / +110°C with our PUHT (short term peak at 150°C) |
DIMENSION
DIMENSION
| Internal Diameter (d) | Outside Diameter (D) | Height (H) |
|---|---|---|
| 30 | 21 | 18 |
| 32 | 22 | 20 |
| 38.1 | 25.4 | 31.75 |
| 40 | 24 | 31 |
| 40 | 26 | 20.5 |
| 40 | 30 | 20.5 |
| 40 | 30 | 29.1 |
| 40 | 32 | 18 |
| 50 | 34 | 31 |
| 50 | 38 | 29 |
| 50 | 40 | 20 |
| 50.8 | 34.925 | 31.75 |
| 50.8 | 41.27 | 11.1 |
| 55 | 39 | 26.7 |
| 55 | 39 | 31 |
| 58.72 | 49.2 | 9.52 |
| 60 | 44 | 26.7 |
| 60 | 44 | 31 |
| 60 | 48 | 28.9 |
| 63 | 47 | 31 |
| 63 | 47 | 32 |
| 63 | 51 | 29 |
| 63.5 | 47.63 | 34.93 |
| 65 | 50 | 31 |
| 69.85 | 50.8 | 38.1 |
| 70 | 50 | 34/22 |
| 70 | 50 | 35 |
| 70 | 54 | 26.5 |
| 70 | 58 | 29 |
| 75 | 55 | 35 |
| 75 | 59 | 26.7 |
| 76.2 | 57.15 | 34.92 |
| 88.9 | 69.85 | 34.92 |
| 88.9 | 76.2 | 33.32 |
| 92 | 82 | 25.5 |
| 80 | 60 | 35 |
| 80 | 60 | 35 |
| 80 | 62 | 29 |
| 80 | 66 | 33 |
| 80 | 70 | 18 |
| 85 | 65 | 35 |
| 90 | 70 | 35 |
| 90 | 70 | 42 |
| 90 | 72 | 30 |
| 90 | 75 | 20 |
| 90 | 76 | 33 |
| 95 | 75 | 35 |
| 100 | 75 | 35 |
| 100 | 82 | 30 |
| 100 | 85 | 30 |
| 100 | 86 | 33 |
| 101.6 | 82.55 | 34.92 |
| 105 | 80 | 35 |
| 107.95 | 88.9 | 42.85 |
| 107.95 | 95.25 | 28.58 |
| 110 | 85 | 35 |
| 110 | 92 | 29.7 |
| 110 | 95 | 29 |
| 110 | 96 | 33 |
| 114.3 | 88.9 | 57.15 |
| 115 | 90 | 35 |
| 115 | 97 | 29 |
| 120 | 106 | 33 |
| 120 | 95 | 35 |
| 125 | 100 | 38 |
| 125 | 103 | 36.7 |
| 125 | 105 | 38 |
| 125 | 108 | 41 |
| 127 | 101.6 | 54.99 |
| 127 | 101.6 | 57.15 |
| 130 | 105 | 38.1 |
| 130 | 105 | 44 |
| 139.7 | 114.3 | 44.45 |
| 139.7 | 114.3 | 57.15 |
| 140 | 115 | 38.1 |
| 140 | 115 | 44 |
| 140 | 118 | 36 |
| 140 | 123 | 41 |
| 145 | 120 | 44 |
| 150 | 125 | 38 |
| 150 | 125 | 44 |
| 150 | 128 | 36 |
| 150 | 133 | 41 |
| 152.4 | 127 | 57.15 |
| 160 | 130 | 38 |
| 160 | 135 | 44 |
| 160 | 138 | 37 |
| 160 | 140 | 37 |
| 165 | 140 | 44.4 |
| 170 | 145 | 50.8 |
| 177.8 | 203.2 | 44.45 |
| 180 | 150 | 48 |
| 180 | 155 | 50.8 |
| 180 | 158 | 36.7 |
| 180 | 163 | 41 |
| 190 | 165 | 50.8 |
| 200 | 175 | 44 |
| 200 | 175 | 50.8 |
| 210 | 185 | 50.8 |
| 210 | 185 | 50.8 |
| 220 | 190 | 48 |
| 230 | 205 | 50.8 |
| 240 | 215 | 50.8 |
| 250 | 220 | 48 |
| 250 | 225 | 50.8 |
| 250 | 225 | 50.8 |
| 280 | 255 | 70 |


