DH05
Description
The DH05 profile is a single acting wiper seal composed of a polyurethane wiping lip.
* Good external wiping effect
* Excellent abrasion and wear resistance
* Easy assembly by deformation
Application
Agriculture
Mobile machinery
Material handling – Lifting
Hydraulic cylinders
Materials
PU 93 Shore A – Blue
PU 96 Shore A – Blue
High temp. PU 96 Shore A – Beige
TECHNICAL DATA
TECHNICAL DATA
| Temperature | -30°C/+110°C |
| Pressure | None 50 MPa |
| Speed | 1 m/s |
| Medias | Mineral hydraulic oils |

MATERIALS
MATERIALS
PU
Polyurethane is a material that has the elastic properties of rubber. The proportion in its composition (diisocyanate, polyol, chain extender) is determined by its properties. This material is characterised by a strong mechanical resistance, good wear resistance, high elastic modulus, good flexibility and a very good ozone and oxidation resistance.
| Chemical resistance | Pure aliphatic hydrocarbons (propane, butane) Mineral oils and greases Silicone oils and greases Water up to +50°C |
|---|---|
| Compatibility issue | Ketones, esters, ethers, alcohols and glycols Hot water, steam, alkalis, amines and acids |
| Temperature range | -30°C/+90°C -30°C / +110°C with our PUHT (short term peak at 150°C) |
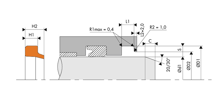
DIMENSION
DIMENSION
| Item | Rod diameter (Ød1 f8/h9) | Groove diameter (ØD1 H9) | Bore diameter (ØD2 H11) | Groove width (L1 +0/+0.20) |
|---|---|---|---|---|
| 461.0050122 | 5 | 12 | 8 | 2.8 |
| 461.0060123 | 6 | 12 | 9 | 3 |
| 461.0080143 | 8 | 14.6 | 11 | 3.8 |
| 461.0100151 | 10 | 15 | 13 | 1 |
| 461.0100163 | 10 | 16.6 | 13 | 3.8 |
| 461.0120183 | 12 | 18.6 | 15 | 3.8 |
| 461.0130193 | 13 | 19.6 | 16 | 3.8 |
| 461.0140203 | 14 | 20.6 | 17 | 3.8 |
| 461.0150213 | 15 | 21.6 | 18 | 3.8 |
| 461.0160223 | 16 | 22.6 | 19 | 3.8 |
| 461.0180243 | 18 | 24.6 | 21 | 3.8 |
| 461.0200285 | 20 | 28.6 | 23 | 5.3 |
| 461.0220305 | 22 | 30.6 | 25 | 5.3 |
| 461.0240325 | 24 | 32.6 | 27 | 5.3 |
| 461.0250335 | 25 | 33.6 | 28 | 5.3 |
| 461.0260345 | 26 | 34.6 | 29 | 5.3 |
| 461.0270355 | 27 | 35.6 | 30 | 5.3 |
| 461.0280365 | 28 | 36.6 | 31 | 5.3 |
| 461.030038 | 30 | 38 | 33 | 5.3 |
| 461.0300385 | 30 | 38.6 | 33 | 5.3 |
| 461.0320405 | 32 | 40.6 | 35 | 5.3 |
| 461.0330415 | 33 | 41.6 | 38 | 5.3 |
| 461.0350435 | 35 | 43.6 | 38 | 5.3 |
| 461.0360445 | 36 | 44.6 | 39 | 5.3 |
| 461.0380465 | 38 | 46.6 | 41 | 5.3 |
| 461.0400485 | 40 | 48.6 | 43 | 5.3 |
| 461.0420505 | 42 | 50.6 | 45 | 5.3 |
| 461.0450535 | 45 | 53.6 | 48 | 5.3 |
| 461.0460545 | 46 | 54.6 | 49 | 5.3 |
| 461.0480565 | 48 | 56.6 | 51 | 5.3 |
| 461.0490575 | 49 | 57.6 | 52 | 5.3 |
| 461.050058 | 50 | 58 | 53 | 5.3 |
| 461.0500585 | 50 | 58.6 | 53 | 5.3 |
| 461.0530615 | 53 | 61.6 | 56 | 5.3 |
| 461.0550635 | 55 | 63.6 | 58 | 5.3 |
| 461.0550655 | 55 | 65.6 | 58 | 5.3 |
| 461.0560645 | 56 | 64.6 | 59 | 5.3 |
| 461.060068 | 60 | 68 | 63 | 5.3 |
| 461.0600685 | 60 | 68.6 | 63 | 5.3 |
| 461.0600705 | 60 | 70 | 63 | 5 |
| 461.0610695 | 61 | 69.6 | 64 | 5.3 |
| 461.0630715 | 63 | 71.6 | 66 | 5.3 |
| 461.0650735 | 65 | 73.6 | 68 | 5.3 |
| 461.0700785 | 70 | 78.6 | 73 | 5.3 |
| 461.0700805 | 70 | 80 | 73 | 5 |
| 461.0700827 | 70 | 82.6 | 76 | 7.1 |
| 461.0720805 | 72 | 80.6 | 75 | 5.3 |
| 461.0730815 | 73 | 81.6 | 76 | 5.3 |
| 461.0750835 | 75 | 83.6 | 78 | 5.3 |
| 461.0750877 | 75 | 87.2 | 81 | 7.1 |
| 461.0760845 | 76 | 84.6 | 79 | 5.3 |
| 461.0800885 | 80 | 88.6 | 83 | 5.3 |
| 461.0800907 | 80 | 90.2 | 83 | 7.1 |
| 461.0800927 | 80 | 92.6 | 83 | 7.1 |
| 461.0850935 | 85 | 93.6 | 88 | 5.3 |
| 461.0850977 | 85 | 97.2 | 91 | 7.1 |
| 461.0901027 | 90 | 102.2 | 96 | 7.1 |
| 461.0910995 | 91 | 99.6 | 94 | 5.3 |
| 461.0951077 | 95 | 107.2 | 101 | 7.1 |
| 461.1001085 | 100 | 108.6 | 103 | 5.3 |
| 461.1001127 | 100 | 112.2 | 106 | 7.1 |
| 461.1051135 | 105 | 113.6 | 108 | 5.3 |
| 461.1051177 | 105 | 117.2 | 111 | 7.1 |
| 461.1071155 | 107 | 115.6 | 110 | 5.3 |
| 461.1101185 | 110 | 118.6 | 113 | 5.3 |
| 461.1101227 | 110 | 122.2 | 116 | 7.1 |
| 461.1151277 | 115 | 127.2 | 121 | 7.1 |
| 461.1201327 | 120 | 132.2 | 126 | 7.1 |
| 461.1251377 | 125 | 137.2 | 131 | 7.1 |
| 461.1261345 | 126 | 134.6 | 129 | 5.3 |
| 461.1301427 | 130 | 142.2 | 136 | 7.1 |
| 461.1351477 | 135 | 147.2 | 141 | 7.1 |
| 461.1401527 | 140 | 152.2 | 146 | 7.1 |
| 461.1401559 | 140 | 155 | 146.5 | 9 |
| 461.1451577 | 145 | 157.2 | 151 | 7.1 |
| 461.1501627 | 150 | 162.2 | 156 | 7.1 |
| 461.1601727 | 160 | 172.2 | 166 | 7.1 |
| 461.1601751 | 160 | 175.2 | 168 | 10.1 |
| 461.1651701 | 165 | 170.2 | 173 | 10.1 |
| 461.1701851 | 170 | 185.2 | 178 | 10.1 |
| 461.1751901 | 175 | 190.2 | 183 | 10.1 |
| 461.1801951 | 180 | 195.2 | 188 | 10.1 |
| 461.1802001 | 180 | 200.2 | 183 | 10.2 |
| 461.1902051 | 190 | 205.2 | 198 | 10.1 |
| 461.2002151 | 200 | 215.2 | 208 | 10.1 |
| 461.2102251 | 210 | 225.2 | 218 | 10.1 |
| 461.2202351 | 220 | 235.2 | 228 | 10.1 |
| 461.2302451 | 230 | 245.2 | 238 | 10.1 |
| 461.2402551 | 240 | 255.2 | 248 | 10.1 |
| 461.2502651 | 250 | 265.2 | 258 | 10.1 |


